Grafikvorlagen für das Climatix Heating System
Das Dokument Climatix DH BACnet Objects CE1Z2912en besagt, dass die Climatix-Anwendung DH vordefinierte Überwachungs- und Steuerungsfunktionen zum Überwachen von Fernwärmesystemen enthält.
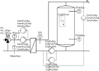
Die folgenden Schemata geben einen Überblick über die verfügbaren Messwerte und Steuergeräte für die wichtigsten Funktionen, die in einer DH-Anwendung enthalten sind.





Die oben genannten Climatix DH-Komponenten sind als Grafik in den Desigo CC-Grafikvorlagen enthalten, um das Climatix DH-System darzustellen. Die Erweiterung Climatix Heating System enthält die unten beschriebenen Grafikvorlagen.
Grafikvorlage Climatix_DH_01_None_None_001_150
Diese Grafikvorlage kann die komplette Fernwärmeanwendung abdecken, die aus 3 Vorregelkreisen, 4 Heizkreisen und 3 Brauchwasserkreisen besteht. Die mit Version 1.20 eingeführten Solarkomponenten sind in den Grafikvorlagen noch nicht enthalten.

Diese Vorlage bietet die beste Funktionalität, wenn sie in Kombination mit Version 1.20 der DH-Anwendung verwendet wird. Hierin werden spezifische BACnet-Objekte bereitgestellt, die es der Vorlage ermöglichen, sehr dynamisch zu arbeiten und eine breite Palette von Anwendungskonfigurationen abzudecken. Mithilfe dieser Vorlage werden die Heizgruppen und Warmwasserkreise basierend auf der Konfiguration dynamisch in das entsprechende Vorregelsegment verschoben. Ausserdem sind sie direkt mit dem Hauptkreislauf verbunden, falls keine Vorregler verwendet werden. Für die Zuordnung der Segmente werden die folgenden BACnet-Objekte verwendet:
- HG1HDstSegm: Gibt an, welchem Segment die Heizgruppe 1 zugeordnet ist.
- HG2HDstSegm: Gibt an, welchem Segment die Heizgruppe 2 zugeordnet ist.
- HG3HDstSegm: Gibt an, welchem Segment die Heizgruppe 3 zugeordnet ist.
- HG4HDstSegm: Gibt an, welchem Segment die Heizgruppe 4 zugeordnet ist.
- DW1HDstSegm: Gibt an, welchem Segment Warmwasser 1 zugeordnet ist.
- DW2HDstSegm: Gibt an, welchem Segment Warmwasser 2 zugeordnet ist.
- DW3HDstSegm: Gibt an, welchem Segment der Speichertank 3 zugeordnet ist.
Diese BACnet-Objekte werden im Climatix-Controller mit dem richtigen Wert konfiguriert, um das entsprechende Segment zu identifizieren, mit dem die Komponenten verknüpft sind. Die Werte und die Bedeutung der Werte für diese Punkte sind für alle aufgeführten BACnet-Objekte gleich:
1 = Direct connection (no PreController) | - 2 = PreController 1 |
3 = PreController 2 | - 4 = PreController 3 |
Szenarien wie Absperrventile in den Vorreglern oder mehrere Warmwasserkreise, die an dieselbe Leitung angeschlossen sind, werden bei Verwendung der DH-Anwendung v1.20 ebenfalls abgedeckt.
Diese Vorlage ist mit der Funktion ClimatixDH_01_150 verknüpft.
Grafikvorlage Climatix_DH_02_None_None_001_150
Die maximale Konfiguration dieser Vorlage umfasst 3 Vorregelkreise, 3 Heizkreise und 1 Brauchwasserkreis.

Diese Vorlage ist mit der Funktion ClimatixDH_02_150 verknüpft.