NK823x-Anschlusszuordnungen
Relaisausgang (X101) |
Anschluss | Zuordnung | Schaltung |
|---|---|---|
1 | Gemeinsam |
|
2 | NO-Ausgang | |
3 | NC-Ausgang |
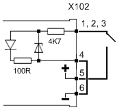
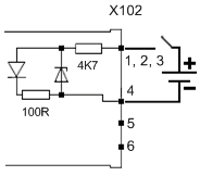
Eingänge (X102) |
Anschluss | Zuordnung | Schaltung 1 (Überwachung der internen Stromversorgung) | Schaltung 1 (Überwachung der externen Stromversorgung) |
|---|---|---|---|
1 | Eingang 1 (Hauptmerkmale) 1) |
|
|
2 | Eingang 2 (Batteriefehler) 1) | ||
3 | Eingang 3 (Stromversorgungsfehler) 1) | ||
4 | Gemeinsam | ||
5 | + Val | ||
6 | –Val |
1) | Die Eingangssignale können einzeln oder kombiniert für die Überwachung der Stromversorgung verwendet werden. |
Stromversorgung (X103) |
Stromversorgung | Anschluss | Zuordnung |
|---|---|---|
Primär | 1 | + |
2 | Erde | |
3 | – | |
n/a | 4 | Nicht verwendet |
n/a | 5 | Nicht verwendet |
Sekundär (optional) | 6 | + |
7 | Erde | |
8 | – |
RS485-Anschlüsse (X104 und X105) |
Anschluss | Zuordnung |
|---|---|
1 | RS485 + |
2 | RS485 – |
Ethernet-Anschlüsse |
Anschluss | Zuordnung |
|---|---|
1 | TX+ |
2 | TX– |
3 | RX+ |
4 |
|
5 |
|
6 | RX– |
7 |
|
8 |
|
RS232-Anschlüsse |
Anschluss | Zuordnung | |
|---|---|---|
| COM 1-2 | COM 3-4 |
1 | CD |
|
2 | RXD | RXD |
3 | TXD | TXD |
4 | DTR |
|
5 | GND | GND |
6 | DSR |
|
7 | RTS |
|
8 | CTS |
|
9 | RI |
|


